首页
关于我们
协会简介
协会领导
章程及会费标准
会员单位
组织架构
专家库成员
新闻动态
热点聚焦
会务报道
安全质量
旧梯改造
电梯常识
人物访谈
会员服务
诚信企业
评优企业
培训交流
下载中心
招标信息
数据信息
通知公告
党建工作
联系方式
电话:0551-62656961
站点导航
首页
关于我们
协会简介
协会领导
章程及会费标准
会员单位
分支机构
专家库成员
新闻动态
热点聚焦
会务报道
安全质量
旧梯改造
电梯常识
人物-访谈
会员服务
诚信企业
评优企业
培训交流
下载中心
招标信息
数据信息
其它栏目
通知公告
党建工作
联系我们
通知公告
THE NOTICE
当前:
首页
>
通知公告
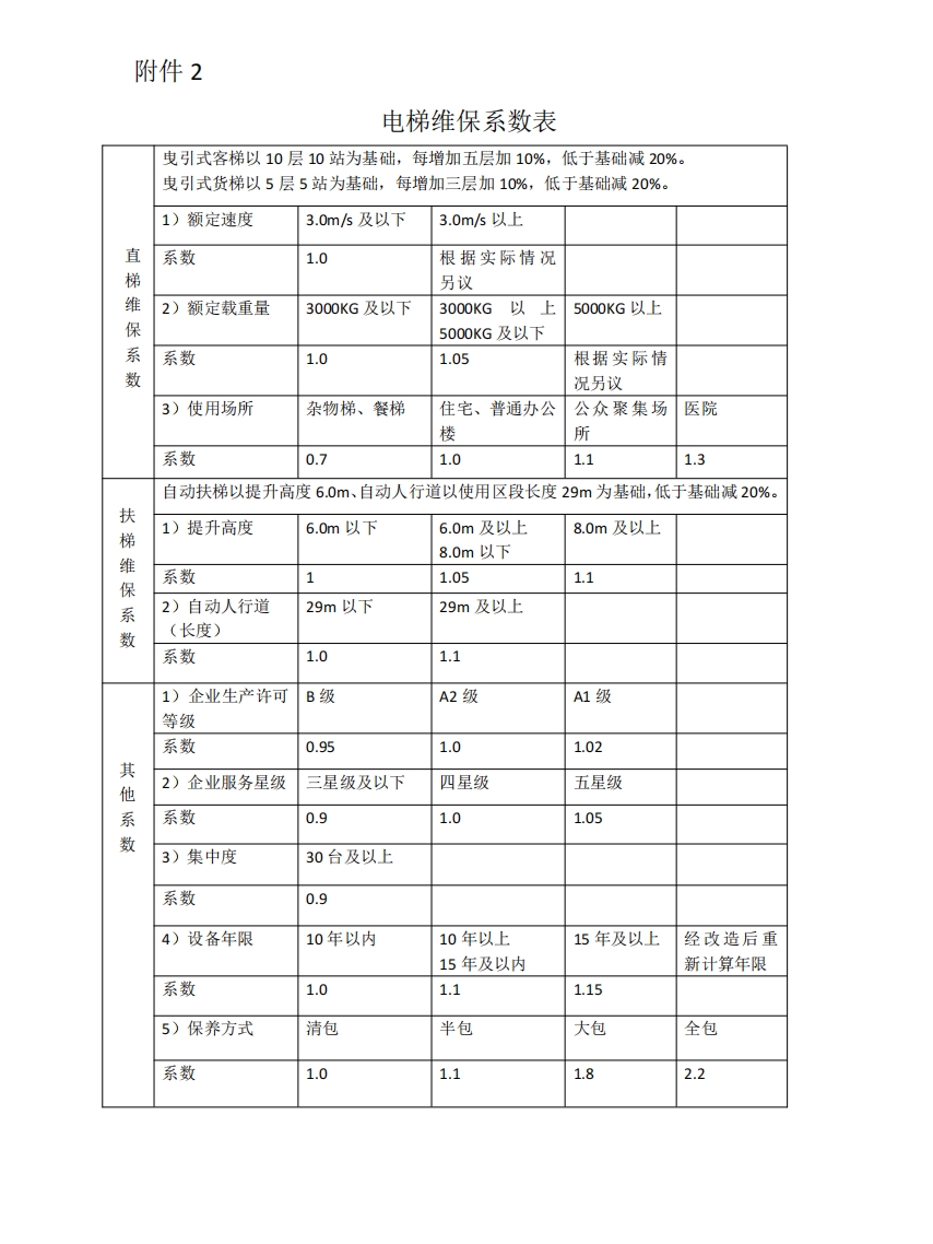
关于征询《合肥市电梯维护保养服务平均成本价格》意见和建议的通知
合肥市电梯行业协会
2025/10/14
分享:
上一篇:
关于公布合肥市电梯维保平均成本价格的通告...
下一篇:
关于全市电梯应急救援高发小区及电梯故 障率前十单位...
诚信企业
+MORE
合肥捷登电梯销售有限公司关于自觉遵守电梯行业自律公约的承诺
安徽中诚电梯有限公司关于自觉遵守电梯行业自律公约的承诺
通力电梯有限公司合肥分公司关于自觉遵守电梯行业自律公约的承诺
奥的斯电梯(中国)有限公司合肥分公司自我声明承诺
安徽品成机电设备有限公司维保服务承诺
安徽申达电梯有限公司维保质量安全承诺书
安徽国展机电有限公司维保服务承诺书
安徽安鑫机电设备有限公司维保服务承诺书
蒂升电梯(中国)有限公司合肥分公司维保服务质量承诺书
康力电梯股份有限公司安徽分公司维保服务承诺书
上海三菱电梯有限公司安徽分公司关于电梯维保质量的自我声明
合肥博达机电工程有限公司电梯维保服务承诺书
安徽省新马电梯工程有限公司关于遵守行业自律公约的承诺书
宇航电梯有限公司关于自觉遵守行业自律公约的承诺书
通知公告
+MORE
合肥市《关于开展2025年度电梯维保质量状况技术诊断工作的通知》...
关于2023年度合肥市电梯维保单位星级评定结果通报
合肥市《关于做好电梯自行检测有关工作的通知》
关于国家市场监管总局2023年第14号公告过渡期内电梯安装备案的通知...
关于2022年度合肥市电梯维保单位星级评定工作参评单位评分汇总的公示...
热门资讯
+MORE
“凝心聚力 共创未来” 安徽交流大会暨合肥市电梯行业协会四届二次会员大...
法律护航,合肥市电梯行业协会为会员单位举行企业用工法律风险防范与合规...
1-6月电梯困人故障率排名前十企业被政府监管部门约谈
安徽电梯交流大会暨合肥市电梯行业协会年会如期举行
记者跑腿之为民解忧 电梯停运5天 居民爬楼费劲 截至记者发稿时电梯已恢复...
合肥市电梯行业协会
地址:
安徽省合肥市九华山路24号
电话:
0551-62656961 64668639 64676935 64676391
邮编:
230001
邮箱:
dtxh@heta2011.com
微信扫一扫
CopyRight © 合肥市电梯行业协会 , All Rights Reserved
皖ICP备20012266号-1